EN
leyu乐鱼在线
首页
+
产品
汽车配电管理
智能高边开关12V
智能高边开关24V
智能高边开关48V
电子保险丝
微电机驱动(开发中)
电池管理
HV全集成锂电保护IC
全集成锂电保护IC
单节电池保护芯片
手机电池保护芯片
电池充电管理IC
OVP、OCP
AC-DC变换
非隔离高压LDO
非隔离高压BUCK变换器
PSR反激控制器
SSR反激控制器
BOOST PFC控制器
LLC半桥谐振控制器
同步整流控制器
组合控制器
LED驱动
非隔离
隔离
线性
非隔离恒压电源
应急检测
可控硅调光
功率器件
高压器件
低压器件
双栅器件
超结器件
ASIC
恒压ASIC
恒功率ASIC
+
应用
消费电子
适配器
PD快充
移动电源
电子烟
智能穿戴
小家电控制板
充电器
汽车电子
高边驱动
LED车灯
集成电机驱动
通讯应用
5G基站
锂电池
工业控制
电动工具
UPS
压缩机
LED照明
通用照明
智能照明
可控硅调光
+
leyu乐鱼在线(中国)
leyu乐鱼在线(中国)方针
体系认证
ROHS报告
REACH报告
+
服务支持
设计工具
仿真模型
应用文档
培训资料
+
关于leyu乐鱼在线(中国)
公司概况
公司简介
公司架构
发展历程
企业荣誉
产学研合作
企业文化
市场活动
新品发布会
展会与技术研讨会
人力资源
人才理念
成长通道
公司福利
职位招聘
新闻中心
leyu乐鱼在线
通知公告
联系我们
+
样品申购
EN
应用
消费电子
适配器
PD快充
移动电源
电子烟
智能穿戴
小家电控制板
充电器
汽车电子
高边驱动
LED车灯
集成电机驱动
通讯应用
5G基站
锂电池
工业控制
电动工具
UPS
压缩机
LED照明
通用照明
智能照明
可控硅调光
小家电控制板
当前位置:
首页
-
应用
-
消费电子
方案描述
方案拓扑
方案产品
方案描述
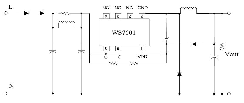
5V0.1A 0.5W家电控制板辅助供电方案
-具有输出短路保护,输出过流保护, VDD 过压保护等功能,以提高整个系统的可靠性。
方案拓扑
5V0.1A 0.5W家电控制板辅助供电方案
方案产品
产品分类
产品型号
产品封装
产品描述
非隔离高压BUCK变换器
WS7501
SOP7
内置700V BJT,具有良好的EMI特性
多宝·体育
|
九州登录
|
万搏平台
|
同花顺电子体育
|
华体会网页版
|
华体会平台
|
半岛app官方在线入口
|
五大联赛投注
|
完美注册
|