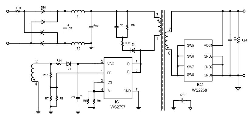
5V2A 10W充电器方案
-具有输出短路保护,输出过流保护,开环保护, VDD 过压保护等功能,以提高整个系统的可靠性;
-能效满足CoC V5 Tier2阶段要求;
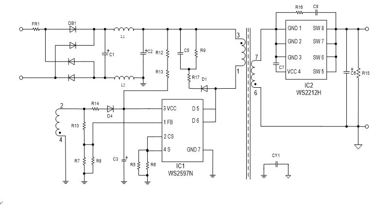
5V2A 10W优化动态器充电器方案
在以上方案的基础上,增加原次边通信功能,保证在0~100%load动态,Vout>4.3V。